Перейти к содержимому

maxexpromt.ru

Промышленность и производство

Меню
  • Доменные процессы
  • Легкие металлы
  • Промышленное оборудование
    • Литейное оборудование
    • Электрооборудование
    • Производственные станки
      • Автоматические линии
  • Солнечная энергия
  • Трубопроводы
  • Тяжелые металлы
  • Цинковые покрытия
  • Энергосбережение
Меню

соединения трубопроводов резьбовые гост гайки накидные

Опубликовано в 10 ноября 2025 от Redactor

В современной промышленности и быту системы трубопроводов являются кровеносной системой, обеспечивающей транспортировку жидкостей и газов для различных нужд. Эффективность и безопасность этих систем во многом зависят от качества и надежности их соединений. Среди множества способов соединения труб, резьбовые соединения занимают особое место благодаря своей универсальности, возможности многократной сборки и разборки, а также относительной простоте монтажа. Именно эти характеристики делают их незаменимыми во многих отраслях, от водоснабжения до сложных промышленных комплексов, где требуется регулярное обслуживание или модификация системы.

Основы резьбовых соединений в трубопроводах

Резьбовое соединение представляет собой разъемное соединение элементов трубопровода, осуществляемое за счет взаимного зацепления винтовых поверхностей – резьбы. Этот метод позволяет создавать герметичные и прочные узлы без использования сварки, что значительно упрощает монтаж, демонтаж и ремонт трубопроводных систем. Основными компонентами таких соединений являются трубы с нарезанной резьбой, фитинги (муфты, угольники, тройники) и, в некоторых случаях, специальные уплотнительные элементы, такие как пакля, фум-лента или анаэробные герметики. Правильный выбор типа резьбы и ее точное исполнение критически важны для обеспечения долговечности и надежности всей системы, предотвращая утечки и снижая эксплуатационные риски.

Виды резьбы и их применение

  • Цилиндрическая резьба: Наиболее распространена в трубопроводных системах, особенно для низкого и среднего давления. Обеспечивает герметичность за счет уплотнителя.
  • Коническая резьба: Создает герметичное соединение за счет плотного контакта витков резьбы без дополнительных уплотнителей, что делает ее идеальной для систем высокого давления и агрессивных сред.

Роль стандартов ГОСТ в обеспечении качества

Для обеспечения взаимозаменяемости, надежности и безопасности резьбовых соединений в России и странах СНГ применяются государственные стандарты (ГОСТ). Эти стандарты регламентируют параметры резьбы (профиль, шаг, диаметр), материалы фитингов, методы контроля качества и другие важные аспекты. Соблюдение требований ГОСТ гарантирует, что компоненты от разных производителей будут совместимы и обеспечат заявленные эксплуатационные характеристики. Это критически важно для предотвращения аварийных ситуаций, упрощения закупок и унификации запасных частей, что в конечном итоге снижает общие затраты на эксплуатацию и обслуживание трубопроводных систем.

Преимущества стандартизации по ГОСТ

  1. Взаимозаменяемость: Детали от разных производителей, соответствующие одному ГОСТу, могут быть свободно использованы вместе.
  2. Гарантия качества: Продукция, изготовленная по ГОСТ, проходит строгий контроль и соответствует установленным нормам прочности и долговечности.
  3. Безопасность: Стандарты включают требования к безопасности эксплуатации, что минимизирует риски аварий и утечек.
  4. Упрощение проектирования: Инженеры могут опираться на известные параметры стандартных изделий.

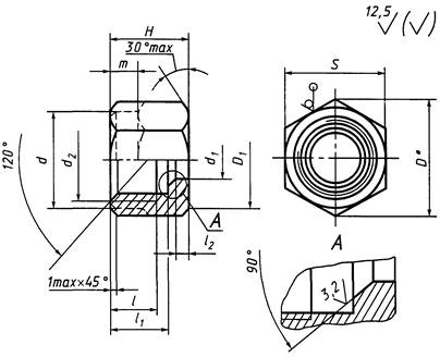
Накидные гайки: ключевой элемент разъемных соединений

Особое место среди резьбовых соединений занимают соединения с использованием накидных гаек, часто называемые «американками» или муфтами с накидной гайкой. Этот тип соединения позволяет быстро и удобно соединять или разъединять участки трубопровода без необходимости вращения самой трубы или других элементов системы. Накидная гайка свободно перемещается по одной из частей соединения и при затягивании прижимает вторую часть к первой через уплотнительную прокладку, создавая герметичное и надежное соединение. Такая конструкция значительно упрощает монтаж и демонтаж оборудования, такого как насосы, фильтры, счетчики воды, а также позволяет легко проводить ремонтные или профилактические работы на отдельных участках трубопровода.

Преимущества использования накидных гаек

Write a quality, in-depth, magazine-style article on the topic:

Write in English

Use a clickbait and catchy headline. Be sure to include the keyword in the headline and use the background content added with this post to create a relevant and related topic.

Make sure the text is written in a journalistic, professional, and engaging style, like The New York Times or Forbes. The tone should be optimistic, forward-looking, and persuasive. Use sentences of varying lengths (average 250 characters, maximum 500, minimum 30). Use appropriate analogies, descriptive adverbs (e.g., “incredibly effective”), and correct adverbial phrases (e.g., “By integrating insights from AI…”). Make sure the GLTR is LOW by balancing 40-55% green, 20-30% yellow, 15-25% red, and 5-10% purple words. Use present and past participles to add dynamism. Provide deep knowledge, expert opinions, and industry examples to make the article compelling.

After the second paragraph of the article, add a table with the biographical information, personal information, career information, and professional background of the person you are talking about, along with a link to one official website for reference. The table should be in a format that is easy to embed in WordPress.

If the topic is not related to a specific person, add relevant information in a table that can be embedded in WordPress.
Ensure the writing follows a journalistic, professional, and engaging style, like The New York Times or Forbes. The tone should be optimistic, forward-looking, and persuasive. Use varied sentence lengths (average 250 characters, max 500, min 30). Incorporate relatable analogies, descriptive adverbs (e.g., ‘remarkably effective’), and proper adverbial phrases (e.g., ‘By integrating AI-driven insights…’). Ensure a LOW GLTR score, balancing 40-55% green, 20-30% yellow, 15-25% red, and 5-10% purple words. Use present and past parts to enhance dynamism. Provide deep insights, expert perspectives, and industry examples to make it compelling.

After the second paragraph of the article add table with bio data and personal information, career, professional information of person in topic, also add link to one authentic website for reference, the table should be in the form that it can be easily inserted in wordpress.

If the topic is other than person related than add related information in the form of table that can be inserted in wordpress.

Преимущество Описание
Простота монтажа/демонтажа Позволяют быстро соединять и разъединять элементы без специальных инструментов и вращения труб.
Отсутствие необходимости вращения трубы Исключает скручивание трубопровода и деформацию при монтаже, что особенно важно в стесненных условиях.
Надежность герметизации Обеспечивается за счет компрессии уплотнительной прокладки, что гарантирует высокую герметичность соединения.
Возможность многократного использования Соединение можно разбирать и собирать множество раз, меняя при необходимости только уплотнительную прокладку.
Гибкость в обслуживании Упрощает замену отдельных элементов системы и проведение профилактических работ.

Добавить комментарий Отменить ответ

Ваш адрес email не будет опубликован. Обязательные поля помечены *

Recent Posts

  • Преимущества редуктора NMRV 030: надежность, долговечность и эффективность
  • солнечный батареи в волгограде
  • трубопровод гибкий высокого давления
  • соединения трубопроводов резьбовые гост гайки накидные
  • Доменная печь: Устройство и технологические процессы
©2026 maxexpromt.ru | Дизайн: Газетная тема WordPress